大路灯测评结果出炉:15款样品仅1款不合格,蓝光危害全部达标
大路灯测评结果出炉:15款样品仅1款不合格,蓝光危害全部达标
潮新闻 通讯员 陶颖 丁苗娟 陈熠 见习记者 王妍妍 记者 李华近年来,作为新兴的护眼灯具产品之一
“大路灯”号称护眼,它真的能够为孩子营造出舒适的光线环境吗?针对15批次产品,近期开展了一项比较试验,该试验揭开了真相。
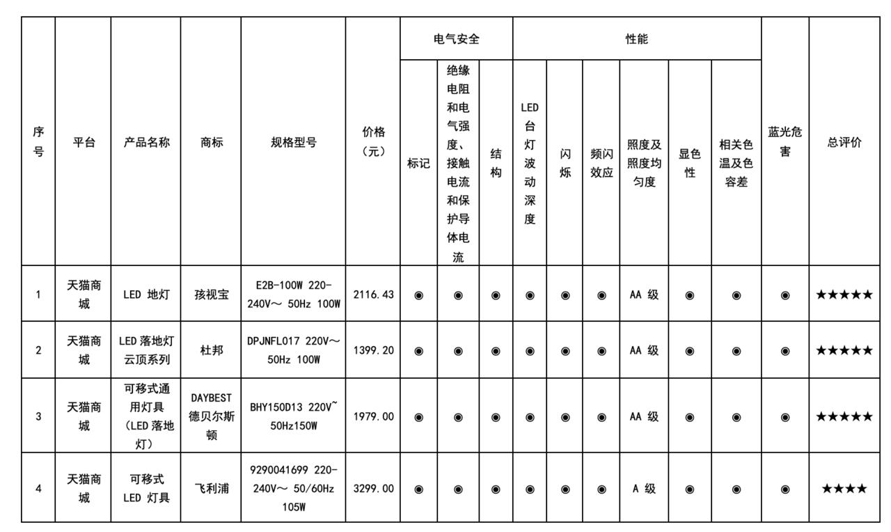
电气安全测试结果
由电气安全测试所涉及的内容包含标记、结构等关键项目,其中标记项目对于产品信息有着清晰持久的要求,目的在于让消费者能够便利地知晓产品且安全地进行使用,而结构项目主要是对灯具稳定性予以评估,像在倾斜六度角度的平面之上是否易于出现倾倒的情况。
进行测试发觉,十五批次的样品当中,有一批次未能够达到标记以及结构方面的要求。这意味着个别产品存有信息标识不清楚或者放置不稳定这样的安全隐患。消费者于选购之时,需要认真仔细地检查产品标识是不是完整清晰 。

性能项目表现
在性能测试里,所有样品无一不符合标准,测试涵盖显色性、色温和闪烁等项目,这些指标对光线舒适度有着直接影响,特别在波动深度测试方面,结果表明所有产品皆不会对视力造成明显影响。
此次性能测试,是参照最新国家标准来开展的,针对可调光产品专门设置了读写档位测试环节测试。这次测试得出的结果表明,这些灯具于读写模式之下的光线质量均能够满足学习所需要求,这便为消费者给出了可靠选择。
蓝光危害评估
国际标准作为蓝光危害测试的参考依据,所有样品被划分至无风险级别,这表明在正常使用状况下,灯具的蓝光不会对眼睛造成伤害,短波长蓝光虽易引发眩光,然而测试产品已对该风险进行有效控制 。
采用严格标准来进行评估,以确保结果是可靠的。消费者能够放心,那些经过测试的护眼灯,在蓝光防护这个方面展露出良好表现,不会去增加用眼负担。
价格与功能关系

显示测试数据的数据表明,并非价格越高的护眼灯其效果就越好,在测试里,部分价格高的产品呈现出的表现较为普通平常,然而一些处于中端价位的产品在各项指标方面反倒展现出优秀卓越的态势,而且,功能也不是数量越多就越好,关键在于得看实际的需求状况。
制造“近视焦虑”以用来推销产品的常常是商家,消费者应当保持理性,不要被多余功能所迷惑,选择的时候重点关注产品有没有标有“学习用”字样以及执行标准编号。
选购建议
要选购时,需认准国家强制性认证标志,产品包装之上,或者说明书当中,应该明确标注执行GB/T 9473 - 2022标准,这些标识是产品质量的基本保证,可帮助消费者避开不合格产品。

优先选择那种功能明确且操作简单的产品是个建议,过于复杂的功能反倒是有可能对使用体验造成影响的,得仔细阅读说明书,去知晓不同档位的适用场景,如此这般才能够充分发挥护眼灯的作用。
使用注意事项
用时需留意定期去检查灯具的状态,当发觉灯光出现变暗或者闪烁的情况时,应当及时停止使用,这些种种现象有可能表明表明灯具已然出现故障,持续使用将会对护眼效果造成影响。
恰当地运用,也涵盖依据环境状况来对光线予以调节,不一样的使用场景,所需要的光线设定是不一样的,提议依照说明书当中的指导去开展调整,与此同时,务必要关注定期对灯具进行清洁,以此维持最佳的照明效果。
购选护眼灯给孩子用时,您最为注重的是哪一方面呢,是光线具备的质量,还是安全性,又或者是价格所关联的因素呢,欢迎于评论区之中分享您自身的观点啦,要是觉得这篇文章有着用处,那就给予点赞进行支持吧!
