大路灯怎么选?15款热销型号测评,看这篇避坑指南
大路灯怎么选?15款热销型号测评,看这篇避坑指南
中国消费者报杭州讯(记者郑铁峰)“最接近日光的照明体验”“让孩子的用眼环境更加舒适”……近年来,作为新兴的护眼灯具产品,“大路灯”受到不少消费者青睐
时常要价达几千元的那种被称作“大路灯”的护眼灯,究竟能不能切实带来那种符合其价格所应有的“护眼”成效呢?当碰到商家所讲的各类专业的说辞话语时,作为消费者的人们又该运用何种方式去展开辨别呢?
大路灯产品的市场现状
近年以来,有一种被叫做“大路灯”的落地进行护眼的灯在市场之上快速走红起来。此类产品凭借其高大的样子外形以及宣称的近乎自然光的照明成效效果吸引了诸多消费者们,特别是那些有处学龄阶段儿童的家庭。它们的售卖价格跨度非常大,从几百块钱款钱起呈现到近万块钱款钱不等,品牌以及型号数量众多繁多 。
商家通常宣扬其具备无频闪、无蓝光危害、高显色性等优势,能够给予健康舒适的读写环境。可是,这些专业用语常常令普通消费者觉得困惑,难以判定产品的真实性能与高昂售价是否相符,致使购买决策变得艰难。
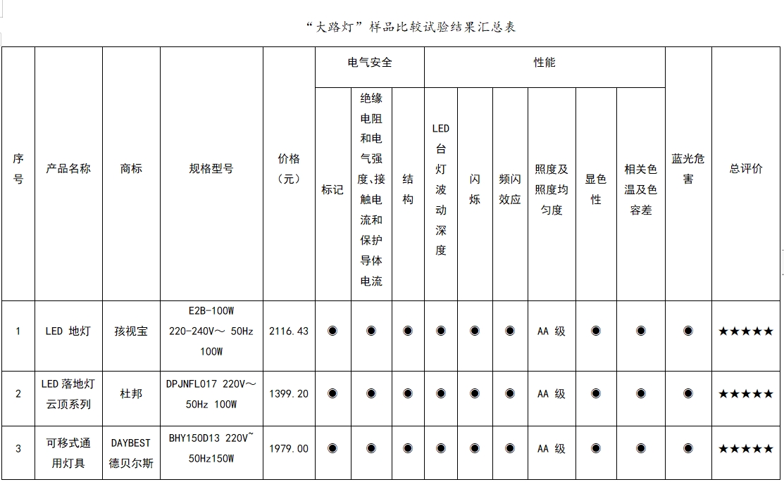
专业测试揭示性能真相
为了将事实梳理清楚,宁波市消费者权益保护委员会在近期开展了一回有关比较的试验,工作人员模拟普通消费者,从线上平台随意购买了15个属于不同品牌的“大路灯”样品,其价格涵盖了从599元至6999元的范围,测试是依照相关国家标准来进行的。
结果呈现,于核心的光学性能指标当中,像蓝光危害等级、显色指数、闪烁等层面,全部15批次样品均契合国家相关标准的技术限值规定。这表明,市面里的主流产品在基础的光安全与光质量方面是具备保障的。
并非所有产品都完美达标

即便核心光学性能总体上是合格的,然而在产品标识以及使用安全性这两方面,有一部分产品显现出了问题。国家标准规定灯具之上一定要清晰且持久地标明产品信息,说明书同样得涵盖必要的使用说明。与此同时,产品结构需要稳固,用以防止倾倒。
于测试期间发觉,标称是“适璞”品牌的样品,在“标记”这个项目以及“结构”这个项目之上,不符合国家标准所规定的要求。这对消费者起到提醒作用,就算灯光相关参数是合格的情况之下,产品于信息透明度方面以及物理安全性方面,也有可能存在着短板之处,在购买的时候需要进行全面的检查。

价格与效果并非直接挂钩
这是一个有关护眼灯具的重要结论,那就是,价格与宣称的护眼效果这二者之间,并非存在必然的正比关联。在此次测试里,不是所有高价产品于各项指标上都占据领先地位的,有部分处于中低价位的产品,其表现同样是良好的。消费者可不能盲目地觉得“越贵就越好”呀。
商家时常靠着堆砌功能或者运用模糊的“黑科技”术语去抬高价格,消费者得理性看待,依据自身实际照明需求出发,像是阅读、书写或者休闲等各种不同场景,进而选择功能相匹配的产品,防止为不必要的附加功能掏钱 。
选购护眼灯的关键要点
当消费者去选购那用于学习阅读的护眼灯之际,应当着重去关注几个特定而非一般的具体确切信息。首先呢,要去查看产品包装或者相关说明书,审视其是否明确显示执有那GB/T 9473 - 2022《读写作业台灯性能要求》这一专门用以规范的标准,又或者是否存在“学习用”等类似字样 。
核实产品有没有“CCC”强制安全认证标志。最终,认真阅读说明书,知悉不同光色以及亮度档位的具体适用场景。这些信息是判定一款灯具是不是真正针对学习场景设计的关键依据,相较于抽象的广告语更具价值。
科学使用与维护同样重要
当购买了合格的护眼灯之后,唯有科学地去使用,才能够让其发挥出最佳的效果。在使用之前,应当花费时间去熟悉产品的调节方式,要依据不同的环境以及任务,来挑选合适的亮度以及色温档位。比如说,夜间进行读写的时候与白天进行补光的时候,或许适合不一样的设置。
查验灯具工作状态定期进行是很有必要滴。要是察觉到灯光有变暗迹象、可被肉眼觉察到闪烁或者亮度不稳定,那就得马上停止使用接着开展检修或者更换操作。养成良好使用习惯以及定期维护,乃是保障长期舒适护眼的关键要义呀。
当你着手为自家孩子去挑选护眼灯之际,最为看重的究竟是哪些特定的功能或者参数呢?是会更加信赖品牌所具备的影响力程度,还是会更倾向于依赖诸如消保委这般的第三方所给出的测试数据进而做出相应决定呢?欢迎于评论区之中分享你自身的经验以及看法,要是感觉本文存在助力作用,同样也请予以点赞加以支持。